Explore ideas, tips guide and info Paige Springthorpe
ADS1158 Bad Internal Voltage Readings Data converters forum Data
ADS1158 Bad Internal Voltage Readings Data converters forum Data
Ads1158 Vref. TI公司16位ADC芯片 ADS1158 单端模式使用心得CSDN博客 ADS1158 16-Bit ADC Digital Filter Internal Monitoring 16:1 Analog Input MUX 1 16 AINCOM ¼ ADC IN Ext CLK In/Out AVSS DGND 32.768kHz AVDD DVDD MUX OUT SPI Interface CS DRDY SCLK DIN DOUT Oscillator Control GPIO START RESET PWDN V REF GPIO[7:0] ADS1158 Analog Inputs ADS1158 www.ti.com SBAS429D -JUNE 2008-REVISED MARCH 2011 16-Channel,16. 16 Bits, No Missing Codes Fixed-Channel or Automatic Channel Scan Fixed-Channel Data Rate: 125kSPS Auto-Scan Data Rate: 23.7kSPS/Channel Single-Conversion Settled Data 16.
ADS1158 Data apparently incorrect in some cases while measuring a from e2e.ti.com
I don't think the VREF circuit you have shown there will give very good performance I would recommend using the REF5040 instead, tying the GND pin on the REF5040 and REFN on the ADS1158 to AVSS (-2.5 V) and supplying VIN on the REF5040 with 2.5 V
ADS1158 Data apparently incorrect in some cases while measuring a
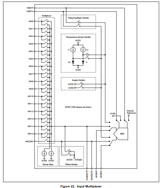
The ADS1158 is a 16-channel (multiplexed), low-noise, 16-bit, delta-sigma (ΔΣ) analog-to-digital converter (ADC) that provides single-cycle settled data at channel scan rates from 1.8k to 23.7k samples per second (SPS) per channel VREF = 2,5V, VREFN, AINCOM, AVSS and thermal pad connected to GND The related documents listed in Table 1 are available through the Texas Instruments web site at.
ADS1158 Open Sensor Detection Data converters forum Data converters. The ADS1158 differential input range extends from +1.066*VREF to -1.066*VREF, so if your input signals are single-ended you are only using the positive half of the ADC codes. A flexible input multiplexer accepts combinations of eight differential or 16 single-ended inputs with a full-scale differential range of 5V or true bipolar range.
ADS1158 Lower than expected samples per second Data converters forum. When AINCOM = +VREF/2, the output code is 0x8000 to 0x7FFF These statements are correct All inputs AIN0 to AIN16 are protected with an 4.7k series resistor